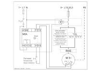
1~ L1 N
3~ L1/L2/L3
K1
A1 A2
T1 T2
Drehzahlsteller*
Speed controller*
Régulateur de vitesse*
MSA
Reset
*nur zugelassene spannungsregelbare Ex-Typen !
Only certified explosion proof
models which are speed
controllable by voltage reduction !
14 11 12
Y1 Y2
Uniquement types Ex, agréés
à vitesse variable par
modification de tension !
RHS
Fernreset
Remote reset
Reset à distance
92916 001 SS-325,1 07.05.07
M 3~
PTC 1...6
PE
">