Unilamp KORNER1

Manuels et Guides de l'Utilisateur pour Unilamp KORNER1. Nous avons trouvé 1 manuels pour téléchargements gratuits Mode d'emploi

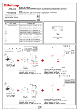
Vous trouverez ci-dessous des informations brèves pour KORNER OD-7780, KORNER OD-7781. Ce manuel fournit des instructions d'installation pour les luminaires extérieurs KORNER OD-7780 et OD-7781, y compris les dimensions, les options de montage (sur poteau ou mural), les accessoires disponibles (poteaux, kits de boulons d'ancrage, adaptateurs muraux) et les options de contrôle (On/Off, CASAMBI, DIM 1-10V, DALI). Il détaille également les codes de commande pour les différents modèles et accessoires.

Fonctionnalités clés

  • Conception IP66 pour une utilisation extérieure
  • Options de contrôle : On/Off, CASAMBI, DIM 1-10V, DALI
  • Compatible avec poteaux et adaptateurs muraux
  • Disponible en deux tailles (OD-7780 et OD-7781)
  • Nécessite un installateur qualifié

Des pages: 10 Unilamp KORNER1 Mode d'emploi

Marque: Unilamp Taille: 1 MB

La langue(s): Français

Ouvrir le manuel

Réponses et questions fréquentes

Quelle est la tension d'entrée du luminaire ?
La tension d'entrée est de 220-240V~50/60Hz.
Quelles sont les options de contrôle disponibles ?
Les options de contrôle disponibles sont : On/Off, CASAMBI, DIM 1-10V et DALI.
Le kit de boulons d'ancrage est-il inclus ?
Le kit de boulons d'ancrage est disponible séparément (Ordering Code: AUN-ACB-0022-00).
Pour commander un Poteau en Aluminium Extrudé 150x82mm, hauteur 4500mm, avec embase à bride pour un seul côté, quel code de commande dois-je utiliser?
Ordering Code : AUN-POL-0035-XX