Hayward HDF400

Manuels et Guides de l'Utilisateur pour Hayward HDF400. Nous avons trouvé 1 manuels pour téléchargements gratuits Manuel du propriétaire

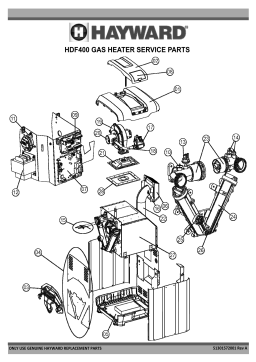
Vous trouverez ci-dessous de brèves informations pour HDF400. Ce document fournit une liste détaillée des pièces de rechange pour le chauffage à gaz HDF400, permettant un entretien et des réparations efficaces. Il inclut des schémas éclatés et des numéros de référence pour faciliter l'identification et la commande des pièces nécessaires.

Fonctionnalités clés

  • Utilisation de pièces de rechange d'origine Hayward
  • Schémas éclatés pour une identification facile des pièces
  • Numéros de référence pour une commande rapide
  • Liste complète des composants internes
  • Instructions pour le remplacement des pièces

Des pages: 4 Hayward HDF400 Manuel du propriétaire

Marque: Hayward Taille: 390 KB

La langue(s): Français

Ouvrir le manuel

Réponses et questions fréquentes

Où puis-je trouver la liste des kits de service pour le HDF400?
Les kits de service et leurs descriptions se trouvent au verso de cette page, avec un numéro correspondant dans la vue éclatée.
Dois-je utiliser uniquement des pièces de rechange d'origine Hayward?
Oui, il est recommandé d'utiliser uniquement des pièces de rechange d'origine Hayward pour assurer la performance et la sécurité de votre appareil de chauffage.
Où puis-je trouver le kit de remplacement de la chambre de combustion HDF?
Le kit de remplacement de la chambre de combustion HDF est répertorié avec le SKU HDXFHXA400.